◎-主要特点
□ 三相不平衡补偿、双向无功调节、电压调节;
□ 实时补偿,响应时间小于20m;
□ 电源型装置,不会与系统发生谐振,不产生谐波;
□ 无容量衰减;
□ 损耗低,安装空间小;
□ 运行安全稳定,设计寿命大于20年;
□ 模块化设计,安装维护简便;
□ 户外安装,防护等级IP44;
□ 无线通讯功能,WIFI、GPRS(选配);
◎-产品型号

◎-产品型号
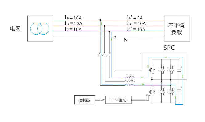
三相不平衡补偿:通过外接电流互感器,实时检测系统电流,并将检测信号发送给内部控制器进行处理分析,判断系统是否处于不平衡状态,同时计算出达到平衡状态时各相所需转换的电流值,而后将信号发送给IGBT并驱动其动作,将不平衡电流从电流大的相转移到电流小的相,使系统达到三相平衡状态。

◎-产品外形图

◎-产品选型
| 变压器 | 需补偿不平衡 电流A | SPC配置 容量kVAR | 柜体尺寸
|
| 容量kVA | 二次电压kV | 二次电流A |
| 80 | 0.4 | 115 | 23 | 50 | 700*600*1100 |
| 100 | 0.4 | 144 | 29 | 50 | 700*600*1100 |
| 125 | 0.4 | 180 | 36 | 50 | 700*600*1100 |
| 160 | 0.4 | 230 | 46 | 50 | 700*600*1100 |
| 200 | 0.4 | 288 | 57 | 50 | 700*600*1100 |
| 250 | 0.4 | 360 | 72 | 50 | 700*600*1100 |
| 315 | 0.4 | 454 | 91 | 100 | 700*600*1100 |
| 400 | 0.4 | 577 | 116 | 100 | 700*600*1100 |
| 500 | 0.4 | 721 | 144 | 100 | 700*600*1100 |
| 600 | 0.4 | 909 | 180 | 100 | 700*600*1100 |
说明:
1、上表中容量按相过负荷率为20%的工况计算出的不平衡电流值;
2、实际所需容量可按下式计算;
Q=√(Q2无功+Q2不平甲),根据Q值选取合适的SPC容量;